Disclaimer: Not affiliated with or endorsed by Mercedes-Benz Motor Company. For informational purposes only. Full Disclaimer

2013 Mercedes-Benz E-Class Fuse Box Diagrams & Locations

Mercedes-Benz E-Class w212 (2009 – 2016) – fuse box diagram

Shop From Amazon

Mercedes-Benz E-Class w212 (2009 – 2016) – fuse box diagram

Year of production: 2009, 2010, 2011, 2012, 2013, 2014, 2015, 2016

Fuse Panel

Mercedes-Benz E-Class w212 - fuse box diagram
Mercedes-Benz E-Class w212 – fuse box diagram

F32 – Front electrical prefuse box
F33 – Rear prefuse box (engine 273.9)
F96 – Additional battery circuit 30 fuse (7,5 A)(with ECO start/stop )
F270 – Additional battery protection (Hybrid)
K40/10 – HYBRID fuse and relay module (Hybrid)
K114 – ECO start/stop function additional battery relay
N10/1 – Front SAM control unit with fuse and relay module
N10/2 – Rear SAM control unit with fuse and relay module

Fuse box in the engine compartment

Mercedes-Benz E-Class w212 - fuse box diagram - engine compartment
Mercedes-Benz E-Class w212 – fuse box diagram – engine compartment
Fuse A Circuit protected
1 25 Valid for left-hand drive vehicle:
Electronic Stability Program control unit
Premium Electronic Stability Program control unit
Hybrid: Regenerative braking system control unit
Valid for right-hand drive vehicles: Blower regulator
2 30 up to 31.05.2010: Left front door control unit
Valid for right-hand drive vehicles as of 01.06.2010: Left rear door control unit
3 30 up to 31.05.2010: Right front door control unit
Valid for left-hand drive vehicles as of 01.06.2010: Right rear door control unit
4 20 Valid with engine 157: Fuel system control unit
Valid for engine 642, 651 up to 31.05.2010: Fuel filter condensation sensor with heating element
7,5 Valid for engine 651 (with retrofitted heated fuel filter) up to 31.05.2010:Control unit for fuel filter condensation sensor with heating element
5 7,5 Instrument cluster
Exterior lights switch
Rear SAM control unit with fuse and relay module
Valid as of 01.03.2013: Electronic Stability Program control unit
Valid as of 01.03.2013: Premium Electronic Stability Program control unit
6 10 Valid for diesel engine: CDI control unit
Valid for gasoline engine: ME-SFI control unit
Valid for engine 271.958, 274.920: CNG control unit
7 20 Starter
8 7,5 Supplemental restraint system control unit
9 15 Glove compartment socket
10 30 Wiper motor
Wiper park position heater
11 7,5 Audio/COMAND display
Audio/COMAND control panel
Navigation module
Cradle for navigation module
COMAND fan motor
12 7,5 ACC control and operating unit
Upper control panel control unit
Valid for transmission 722, 724, 725: Automatic transmission transmission mode button
AIRMATIC: Suspension button group
13 7,5 Steering column tube module control unit
Multifunction camera
Stereo multifunction camera
14 7,5 Electronic Stability Program control unit
Premium Electronic Stability Program control unit
15 7,5 Supplemental restraint system control unit
16 5 Hybrid: Electrical refrigerant compressor
Valid with transmission 722.930/931: DIRECT SELECT INTERFACE
Valid for transmission 722 (except 722.930/931): Electronic selector lever module control unit
17 30 Overhead control panel control unit
Panoramic sliding roof control module
18 7,5 Exterior lights switch
Hybrid: Power electronics control unit
Valid up to 28.02.2013:
Instrument panel switch group
Upper control panel control unit
Valid for transmission 722 with ECO start/stop: Transmission oil auxiliary pump relay
19 20 Valid except transmission 722.9:
Electronic ignition lock control unit
Electric steering lock control unit
20 40 Valid for left-hand drive vehicle:
Electronic Stability Program control unit
Premium Electronic Stability Program control unit
Valid for left-hand drive vehicle, Hybrid: Regenerative braking system control unit 
21 7,5 Front passenger seat occupied recognition and ACSR
Weight sensing system (WSS) control unit
except Hybrid up to 28.02.2013:Brake lights switch
Hybrid up to 28.02.2013:
Hybrid brake light switch
Switched through glove compartment lamp switch
Glove compartment lamp
22 15 Valid for fan motor with 650, 800 W: Fan motor for internal combustion engine and air conditioning with integrated control
Valid for engine 156:
Electrical connector for interior harness and engine wiring harness
Circuit 87 M2e connector sleeve
Valid for engine 157, 271, 272, 273, 274, 276, 278: Electrical connector for interior harness and engine wiring harness
Valid for engine 271, 272.98, 274.9, 276 and engine 651 (except with 4MATIC): Radiator shutters actuator
Valid for engine 642, 651:
CDI control unit
Electrical connector for interior harness and engine wiring harness
23 20 Valid for diesel engine: Rear SAM control unit with fuse and relay module
Valid for engine 271, 642, 651: Circuit 87 M1e connector sleeve
Valid for engine 156, 157, 271, 272, 273, 274, 276, 278, 642, 651:Electrical connector for interior harness and engine wiring harness
Valid for engine 271: ME-SFI control unit
24 15 Valid for engine 156, 157, 271, 272, 273, 274, 276, 278, 642, 651:Electrical connector for interior harness and engine wiring harness
Valid for diesel engine: CDI control unit
Valid for gasoline engine: ME-SFI control unit
Valid for engine 271.958, 274.920: CNG control unit 
25 15 Valid for engine 642, 651 with BlueTEC:
Nitrogen oxides control unit downstream of diesel particulate filter
Nitrogen oxides control unit downstream of the SCR catalytic converter
Soot particulate sensor control unit
Valid for gasoline engine: ME-SFI control unit
Hybrid:
Transmission cooling coolant circulation pump relay
HYBRID power electronics coolant circulation pump relay
Valid for engine 156: Connector sleeve, circuit 87 M3e
26 20 Radio
Radio with auto pilot system
COMAND controller unit
27 7,5 Valid for gasoline engine: ME-SFI control unit
Valid for diesel engine:
CDI control unit
Electronic ignition lock control unit
Valid for engine 271.958, 274.920: CNG control unit
28 7,5 Instrument cluster 
29 10 Valid up to 28.02.2013: Right front lamp unit 
30 10 Valid up to 28.02.2013: Left front lamp unit 
31A 15 Left fanfare horn
Right fanfare horn
31B 15 Left fanfare horn
Right fanfare horn
32 40 Valid for engine 272: Electric air pump 
33 10 Valid for transmission 722.6: Electronic transmission control control unit
Valid for transmission 722.9, 724, 725: Fully integrated transmission control controller unit 
34 7,5 Valid for engine 156, 271, 272, 273, 642, 651: Fuel system control unit 
35 7,5 Hybrid: HYBRID control unit power supply relay 
36 7,5 Night View Assist control unit
Valid up to 28.02.2013: DISTRONIC electric controller unit
Valid as of 01.03.2013: Front long-range radar sensor
Valid as of 01.03.2013: COLLISION PREVENTION ASSIST controller unit
Relay
J Circuit 15 relay
K Circuit 15R relay
L Wiper park position heater relay
M Starter circuit 50 relay
N Engine circuit 87 relay
O Horn relay
P Valid for engine 272: Secondary air injection relay
Q Transmission oil auxiliary pump relay
R Chassis circuit 87 relay

Fuse box in the trunk

Mercedes-Benz E-Class w212 - fuse box diagram - trunk
Mercedes-Benz E-Class w212 – fuse box diagram – trunk
No. Circuit protected A
37 Driver seat NECK-PRO head restraint solenoid
Front passenger seat NECK-PRO head restraint solenoid
7,5
38 Valid for model 212.2: Tailgate wiper motor 15
39 up to 31.05.2010: Left rear door control unit
Valid for right-hand drive vehicles as of 01.06.2010: Left front door control unit
30
40 Spare
41 up to 31.05.2010: Right rear door control unit
Valid for left-hand drive vehicles as of 01.06.2010: Right front door control unit
30
42 Fuel pump relay
Valid for engine 156, 271, 272, 273, 274, 276, 278, 642, 651: Fuel system control unit
25
43 Telematics services communications module 7,5
44 Front passenger seat partially electric seat adjustment switch 30
45 Driver seat partially electric seat adjustment switch 30
46 FM 1, AM, CL [ZV] and KEYLESS-GO antenna amplifier
Rear window antenna amplifier 1
DAB band III antenna
Alarm siren
Interior protection and tow-away protection control unit
Valid as of 01.06.2011 on engine 157, 276, 278: Coolant circulation pump relay
7,5
47 Spare
48 Spare
49 Rear window heater 40
50 Right front reversible emergency tensioning retractor 50
51 Left front reversible emergency tensioning retractor 50
52 Spare
53 Trailer recognition control unit 30
54 Trailer recognition control unit 15
55 Spare
56 Trailer socket 15
57 Trailer recognition control unit 20
Left front illuminated door sill molding voltage converter
Right front illuminated door sill molding voltage converter
7,5
58 Trailer recognition control unit 25
59 Left front bumper DISTRONIC (DTR) sensor
Right front bumper DISTRONIC (DTR) sensor
7,5
60 Multicontour seat pneumatic pump 7,5
Dynamic multicontour seat pneumatic pump 30
61 Trunk lid control control unit
Tailgate control control unit
40
62 Driver seat control unit 25
63 Rear seat heater control unit 25
64 Front passenger seat control unit 25
65 up to 28.02.2013: Steering wheel heater control unit 7,5
as of 01.03.2013: Steering column tube module control unit 10
66 Rear blower motor  7,5
67 Sound system amplifier control unit  40
68 AIRmatic control unit
Rear axle electronic level control control unit
15
69 Rear bass speaker amplifier  25
70 Tire pressure monitor control unit 5
71 Vehicle interior socket, front
Front cigarette lighter with ashtray illumination
15
72 Cargo area socket  15
73 Diagnostic connector
Stationary heater radio remote control receiver
Valid with transmission 722.930/931: Transmission mode control unit
5
74 KEYLESS-GO control unit
Valid as of 01.03.2013: Right front lamp unit
Valid as of 01.03.2013: Left front lamp unit
Valid as of 01.12.2011: DC/AC converter control unit
15
75 Stationary heater unit
Valid as of 01.03.2013 (with Dynamic LED headlamps:
Left front lamp unit
Right front lamp unit
20
Valid for engine 156: Oil cooler fan motor relay 25
76 Rear cup holder
Rear center console socket
Rear USB electrical connection
15
77 Rear cup holder
Valid until 28.02.2013: Weight sensing system (WSS) control unit
Valid for China, South Korea vehicles: Navigation processor 
7,5
78 Media interface control unit
Multimedia connection unit
7,5
79 Valid up to 31.05.2010: Radar sensors control unit
Valid as of 01.06.2010: Video and radar sensor system control unit
Valid as of 01.03.2013: Chassis gateway control unit
5
80 Parking system control unit  5
81 Cellular telephone system antenna amplifier / compensator
Mobile phone electrical connector
Navigation processor 
5
82 Left front seat ventilation blower regulator
Right front seat ventilation blower regulator
10
83 Circuit 15R connector sleeve
Emergency call system control unit
Valid until 31.05.2010: Navigation processor
Japan version: Electronic Toll Collection control unit
7,5
84 Reversing camera power supply module
Digital Audio Broadcasting control unit
Valid up to 28.02.2013: Reversing camera control unit
Valid as of 01.03.2013: Reversing camera
Valid up to 31.05.2010: SDAR/high definition tuner control unit
Valid as of 01.06.2010: Satellite digital audio radio (SDAR) control unit
Valid as of 01.03.2013: 360° camera control unit
5
85 Valid until 28.02.2015: TV tuner (analog/digital)
Valid until 28.02.2015 : Digital TV tuner
Valid as of 01.03.2015: Tuner unit
7,5
86 DVD player
Left rear display
Right rear display 
7,5
87 Emergency call system control unit
Special vehicle multifunction control unit (SVMCU)
Valid as of 01.06.2011 with engine 157, 274, 276, 278: Coolant circulation pump relay
Valid as of 01.03.2015: Telematics services communications module 
7,5
88 Valid with transmission 722.9: Intelligent servo module for DIRECT SELECT  15
89 Trailer recognition control unit
Special vehicle multifunction control unit (SVMCU)
Valid up to 28.02.2013 with engine 157: Fuel system control unit
Valid as of 01.03.2013 (with Static LED headlamps):
Right front lamp unit
Left front lamp unit
30
90 Coolant circulation pump relay
Valid for engine 642.8 with BlueTEC: AdBlue® fuse block
40
91 Valid for transmission 722 with ECO start/stop function: Front SAM control unit with fuse and relay module 10
92 Valid as of 01.03.2013: KEYLESS-GO control unit
Valid as of 01.03.2013: Rear switching module
Valid until 30.11.2011: DC/AC converter control unit
15
Relay
A Circuit 15 relay
B Circuit 15R relay (1)
C Rear window heater relay
D Valid for diesel engine: Fuel pump relay
E Liftgate windshield wiper relay
F Seat adjustment relay
G Circuit 15R relay (2)

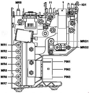
Front electrical prefuse box

Mercedes-Benz E-Class w212 - fuse box diagram - front electrical prefuse box
Mercedes-Benz E-Class w212 – fuse box diagram – front electrical prefuse box
No. Fused component A
MR8 Pyrofuse, triggered by Supplemental Restraint System control unit
MR1 Electrical power steering control unit 50
MR2 Spare
MR3 Spare
MR4 Fan motor for internal combustion engine and air conditioning with integrated control 100
MR5 Valid for diesel engine: PTC heater booster 150
MR6 Valid for front on-board electrical system battery: Front SAM control unit with fuse and relay module 60
MR7 Front SAM control unit with fuse and relay module 150
PIN1 Valid for left-hand drive vehicles: Blower regulator
Valid for right-hand drive vehicles:
Electronic Stability Program control unit
Premium Electronic Stability Program control unit
50
PIN2 Valid for right-hand drive vehicles:
Electronic Stability Program control unit
Premium Electronic Stability Program control unit
50
PIN3 AIRmatic relay
Valid with transmission 725: Fully integrated transmission control unit
60
MRG1 Spare
MRG2 Front SAM control unit with fuse and relay module 100
IG1 Rear SAM control unit with fuse and relay module 150
I1 Valid for front on-board electrical system battery: Rear SAM control unit with fuse and relay module 100

Front electrical prefuse box (with ECO start/stop)

Mercedes-Benz E-Class w212 - fuse box diagram - front electrical prefuse box (with ECO start/stop)
Mercedes-Benz E-Class w212 – fuse box diagram – front electrical prefuse box (with ECO start/stop)
No. Fused component A
MR8 Alternator
Stationary heater control unit
350
MR4 Fan motor for internal combustion engine and air conditioning with integrated control 100
MR5 Valid for diesel engine: PTC heater booster 150
MR6 Valid for front on-board electrical system battery: Front SAM control unit with fuse and relay module 60
MR7 Front SAM control unit with fuse and relay module 150
MR9 Spare
MG2 Front SAM control unit with fuse and relay module 100
MR3 Electrical power steering control unit 80
IG1 Rear SAM control unit with fuse and relay module 150
IM1 Valid for front on-board electrical system battery: Rear SAM control unit with fuse and relay module 100
PIN1 Valid for left-hand drive vehicles: Blower regulator
Valid for right-hand drive vehicles:
Electronic Stability Program control unit
Premium Electronic Stability Program control unit
50
PIN2 Valid for right-hand drive vehicles:
Electronic Stability Program control unit
Premium Electronic Stability Program control unit
50
PIN3 AIRmatic relay
Valid with transmission 725: Fully integrated transmission control unit
60

Front electrical prefuse box (Hybrid)

Mercedes-Benz E-Class w212 - fuse box diagram - front electrical prefuse box (Hybrid)
Mercedes-Benz E-Class w212 – fuse box diagram – front electrical prefuse box (Hybrid)
No. Fused component A
MR8 Pyrofuse, triggered by Supplemental Restraint System control unit
MR4 Fan motor for internal combustion engine and air conditioning with integrated control 100
MR5 Valid for diesel engine: PTC heater booster 150
MR6 Valid for front on-board electrical system battery: Front SAM control unit with fuse and relay module 60
MR7 Front SAM control unit with fuse and relay module 150
MR9 HYBRID fuse and relay module 150
MG2 Front SAM control unit with fuse and relay module 100
MR3 Electrical power steering control unit 80
IG1 Rear SAM control unit with fuse and relay module 150
IM1 Valid for front on-board electrical system battery: Rear SAM control unit with fuse and relay module 100
PIN1 Valid for left-hand drive vehicles: Blower regulator
Valid for right-hand drive vehicles: Regenerative braking system control unit
50
PIN2 Valid for right-hand drive vehicles: Regenerative braking system control unit 50
PIN3 AIRmatic rela 60

Rear prefuse box

Mercedes-Benz E-Class w212 - fuse box diagram - rear prefuse box
Mercedes-Benz E-Class w212 – fuse box diagram – rear prefuse box
No. Fused component A
170 Reserve
171 Front SAM control module with fuse and relay module 60
172 Rear SAM control unit with fuse and relay module 100

AdBlue fuse block

Mercedes-Benz E-Class w212 - fuse box diagram - AdBlue fuse block
Mercedes-Benz E-Class w212 – fuse box diagram – AdBlue fuse block
No. Fused component A
19 AdBlue® control unit 15
20 AdBlue® control unit 20
21 AdBlue® control unit 7,5
22 AdBlue® control unit 5

HYBRID fuse and relay module

Mercedes-Benz E-Class w212 - fuse box diagram - Hybrid fuse and relay module
Mercedes-Benz E-Class w212 – fuse box diagram – Hybrid fuse and relay module
No. Fused component A
130 Regenerative braking system control unit 5
131 Regenerative braking system control unit 5
132 Spare
133 Power electronics control unit 5
134 Vacuum pump relay (-) 5
135 Battery management system control unit 7,5
136 Pyrotechnical separator 7,5
137 Power electronics circulation pump 1 7,5
138 Power electronics circulation pump 2 7,5
139 Valid for engine 651: Transmission cooling coolant circulation pump 7,5
140 Vacuum pump relay (+) 40
141 Spare
142 Spare
Relay
S Transmission cooling coolant circulation pump relay
T HYBRID control unit power supply relay
U HYBRID power electronics coolant circulation pump relay

Oil cooler fan motor relay (engine 157)

Mercedes-Benz E-Class w212 - fuse box diagram - oil cooler fan motor relay (engine 157)
Mercedes-Benz E-Class w212 – fuse box diagram – oil cooler fan motor relay (engine 157)

Relay

Mercedes-Benz E-Class w212 - fuse box diagram - relay
Mercedes-Benz E-Class w212 – fuse box diagram – relay

F12 – Stationary heater fuse (Hybrid)
F37 – AdBlue® fuse block (with engine 642.8 with BlueTEC)
K27/7 – AdBlue® supply relay (with engine 642.8 with BlueTEC)

Mercedes-Benz E-Class w212 - fuse box diagram - relay
Mercedes-Benz E-Class w212 – fuse box diagram – relay

K60 – Coolant circulation pump relay (as of 01.06.2011 with engine 157, 274, 276, 278)
K67 – AIRMATIC relay
K109 – Vacuum pump relay (+) (Hybrid)
K109/1 – Vacuum pump relay (-) (Hybrid)

WARNING: Terminal and harness assignments for individual connectors will vary depending on vehicle equipment level, model, and market.

Shop From Amazon