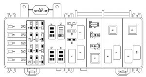
Ford Ranger (2000) – fuse box diagram
Shop From Amazon
Ford Ranger (2000) – fuse box diagram
Year of production: 2000
Fuse box in passenger compartment
| Fuse/CB | Ampere rating [A] | Description |
| 1 | 7,5 | Power Mirror Switch |
| 2 | 7,5 | Blower Motor Relay, PAD Module, Air Bag Diagnostic Monitor |
| 3 | 7,5 | Left Stop/Turn Trailer Tow Connector |
| 4 | 10 | Left headlamp |
| 5 | — | Not used |
| 6 | 15 | Overdrive, Back-up Lamps, DRL, 4×4 |
| 7 | 7,5 | Right Stop/Turn Trailer Tow Connector |
| 8 | 10 | Right Headlamp, Fog Lamp Relay |
| 9 | 7,5 | Brake Pedal Position Switch |
| 10 | 7,5 | Speed Control Servo/Amplifier Assembly, Generic Electronic Module (GEM), Shift Lock Actuator, Blend Door Actuator, A/C-Heater Assembly, Turn Signals |
| 11 | 7,5 | Instrument Cluster, Daytime Running Lights (DRL), RABS Resistor |
| 12 | — | NOT USED |
| 13 | 20 | Brake Pedal Position Switch |
| 14 | 20 | If equipped with Rear Anti-Lock Brake System (RABS) Module. |
| 10 | If equipped with 4 Wheel Anti-Lock Brake System (4WABS) Module, 4WABS Main Relay | |
| 15 | 7,5 | Air Bag Indicator Lamp, Alternator Indicator Lamp |
| 16 | 30 | Windshield Wiper Motor, Wiper Hi-Lo Relay, Wiper Run/Park Relay |
| 17 | 25 | Cigar Lighter, Data Link Connector (DLC) |
| 18 | 15 | Driver’s Unlock Relay, All-Unlock Relay, All-Lock Relay |
| 19 | 25 | PCM Power Diode, Ignition, PATS |
| 20 | 7,5 | RAP Module, Generic Electronic Module (GEM), Radio |
| 21 | 15 | Flasher (Hazard) |
| 22 | 20 | Auxiliary Power Socket |
| 23 | — | Not Used |
| 24 | 7,5 | Clutch Pedal Position (CPP) switch, Starter Interrupt Relay, Anti-Theft |
| 25 | — | Not used |
| 26 | 10 | Battery Saver Relay, Electronic Shift Relay, Interior Lamp Relay, Power Window Relay, Electronic Shift Control Module, Dome/Map Lamp, GEM, Instrument Cluster |
| 27 | — | Not used |
| 28 | 7,5 | Generic Electronic Module (GEM), Radio |
| 29 | 15 | Radio |
| 30 | 10 | RABS Test Connector |
| 31 | — | Not Used |
| 32 | — | Not Used |
| 33 | 15 | Headlamps, Daytime Running Lamps (DRL) Module, Instrument Cluster |
| 34 | — | Not Used |
| 35 | — | Not Used |
| 36 | — | Not Used |
Power distribution box
The power distribution box is located in the engine compartment near the battery.
| Fuse/Relay location | Ampere rating [A] | Description |
| 1 | 50** | I/P Fuse Panel |
| 2 | 40** | Blower Motor Relay |
| 3 | 50** | 4 Wheel Anti-Lock Brake System (4WABS) Module |
| 4 | 20** | Power Windows |
| 5 | 50 | Ignition Switch, Starter Relay |
| 1 | 10* | A/C Relay |
| 2 | — | Not Used |
| 3 | 20* | Electronic Shift Relay and Electronic Shift Control Module |
| 4 | 20* | Fog Lamp and Daytime Running Lamps |
| 5 | 15 | Trailer Tow Park Lamps |
| 6 | 10* | Powertrain Control Module |
| 7 | 30* | 4 Wheel Anti-lock Brake System (4WABS) Module |
| 8 | 30* | PCM Relay |
| 9 | 20* | Fuel Pump Relay and RAP Module |
| 10 | 15* | Horn Relay |
| 11 | 15* | Parklamps Relay and Main Light Switch |
| 12 | 30* | Main Light Switch and Multifunction Switch |
| 13 | 15* | Heated Oxygen Sensor, EGR Vacuum Regulator, EVR Solenoid, Camshaft Position Sensor (CMP), Canister Vent Solenoid |
| 14 | 30* | Alternator Voltage Regulator |
| 15 | — | NOT USED |
| 1 | — | Wiper Park Relay |
| 2 | — | A/C Relay |
| 3 | — | Wiper Hi/Lo Relay |
| 4 | — | PCM Power Relay |
| 5 | — | Fuel Pump Relay |
| 6 | — | Starter Relay |
| 7 | — | Horn Relay |
| 8 | — | Fog Lamp Control Relay |
| 9 | — | Blower Motor Relay |
| 10 | — | Foglamp Isolation Relay |
| 11 | — | Not Used |
| 12 | — | Not Used |
| 13 | — | Park Lamp/Trailer Tow Relay |
| 14 | — | Not Used |
| 1 | — | RABS Resistor |
| 1 | — | RABS Diode |
| 2 | — | Electronic Engine Controls Diode |
| * Mini Fuses ** Maxi Fuses | ||
WARNING: Terminal and harness assignments for individual connectors will vary depending on vehicle equipment level, model, and market.